Description
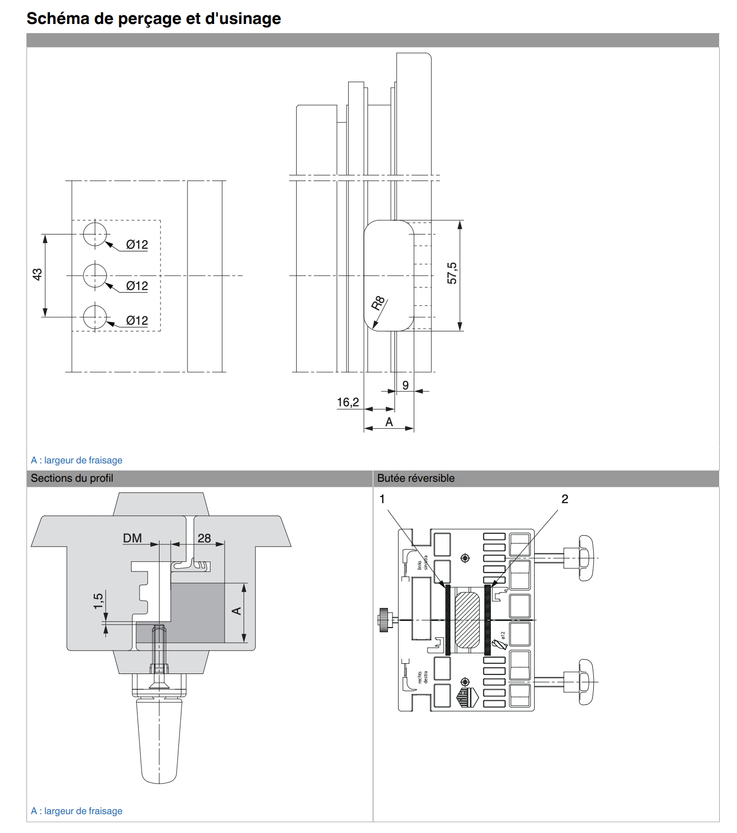
Renvoi de fouillot MACO 10920 – Déport axe 20 mm
Le renvoi de fouillot MACO référence 10920 (également identifié comme 28155 DM‑6) est spécialement conçu pour ajuster la position du carré de poignée sur les fenêtres équipées de ferrures MACO. Grâce à son déport d’axe de 20 mm, il permet un ajustement parfait sans modifier le mécanisme d’origine, idéal pour les installations où l’axe doit être avancé.
Caractéristiques techniques du renvoi de fouillot MACO 10920
Référence : MACO 10920 / 28155 DM‑6
Déport d’axe : 20 mm
Dimensions (L × H) : 56 × 47 mm
Entraxe fixation : 43 mm
Matériau : métal robuste (zamak/acier), finition industrielle MACO
Compatibilité : crémone MACO nécessitant un déport de fouillot de 20 mm
Conditionnement : pièce seule, prête à visser dans le châssis
Avantages principaux
Précision d’ajustement : repositionne le carré de poignée sans toucher à la serrure ou à la crémone.
Installation rapide : montage direct, compatible avec les fixations standard (entraxe 43 mm).
Solution économique : remplace une pièce usée sans devoir changer la ferrure entière.
Conformité MACO : norme professionnelle garantissant robustesse et longévité.
Stock pro : référence distribuée en stock via Thoumyre, livraison en 24-48 h.
Applications recommandées
Ajustement du fouillot sur fenêtres ou portes-fenêtres nécessitant un décalage de 20 mm.
Remplacements ou corrections de position lors de moisissures, usure ou défaut d’alignement.
Interventions SAV ou maintenance rapide pour menuisiers professionnels et bricoleurs.
renvoi fouillot MACO 10920, renvoi 20 mm MACO, pièce détachée MACO 28155, renvoi alignement carré poignée, adaptation fouillot MACO, renvoi MACO DM‑6
Besoin d’un conseil ?
Notre service client est disponible pour vous accompagner dans le choix de votre clé ou pour vérifier la compatibilité.
Email : vad@thoumyre.fr
Téléphone : 02 35 71 42 74
Horaires : du lundi au vendredi, de 8h à 17h













