Description
Serrure à encastrer Iseo 651 – Pour portes de caves
Description du produit
La serrure à encastrer Iseo 615 est spécialement conçue pour les portes de caves. Réversible et rabattable, elle s’adapte facilement aux différents sens d’ouverture grâce à son double trou de cylindre et double cadre de poignée. Cette serrure mécanique fonctionne avec un cylindre à profil européen, garantissant une sécurité accrue pour vos installations.
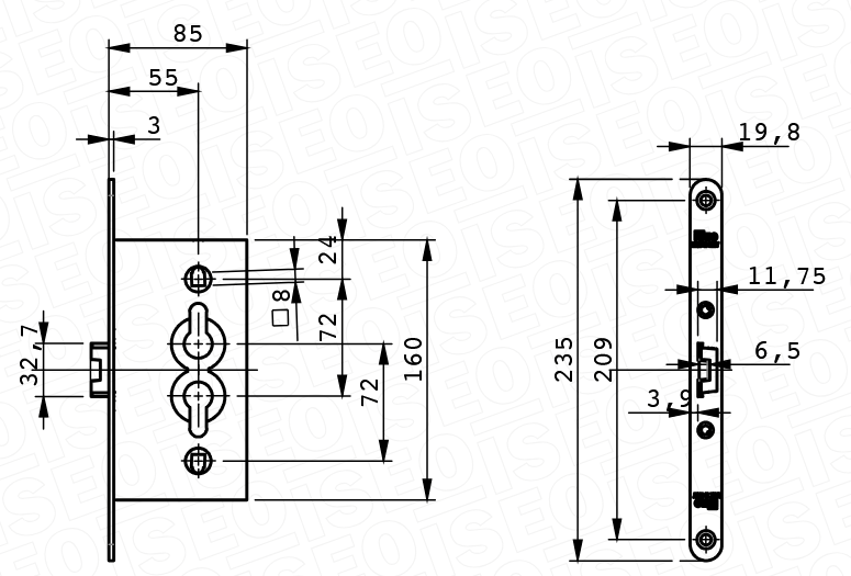
Caractéristiques techniques
-
Réversibilité : oui (droite/gauche)
-
Entrées : 55 mm ou 65 mm
-
Entraxe : 72 mm
-
Fouillot : 8 mm
-
Façade : 20 x 3 x 235 mm (acier zingué)
-
Saillie du bec-de-cane : 11 mm
-
Épaisseur du boîtier : 14 mm
-
Pêne intégré dans le bec-de-cane
-
Option : bec-de-cane décentré selon configuration
-
Encombrement du boîtier : 85/95 x 14 x 160 mm
Avantages
-
Serrure réversible grâce à la double entrée cylindre/poignée
-
Montage simple et rapide
-
Idéale pour portes de caves, locaux techniques ou zones de service
-
Conception robuste en acier zingué
-
Compatible avec cylindres européens standards
Applications
Convient parfaitement pour :
-
Portes de caves
-
Portes techniques
-
Portes de service
Installation
La serrure s’encastre dans le chant de la porte. Elle est compatible avec les poignées standards à entraxe 72 mm. L’entrée de cylindre peut être positionnée à 55 ou 65 mm selon vos besoins.
📞 Besoin d’un conseil ?
Notre service client est disponible pour vous aider à choisir le coffret le mieux adapté à vos besoins professionnels.
📧 Email : vad@thoumyre.fr
📞 Téléphone : 02 35 71 42 74
🕒 Du lundi au vendredi, de 8h à 17h






